
一、转速传感器是一种用来检测旋转物体转动速度的传感器,广泛应用于多个行业和领域。
以下是一些主要应用行业及其具体应用实例:
1.汽车行业:
发动机转速监测:实时监测发动机的转速,用于发动机的控制和诊断。
车轮转速检测:用于防抱死制动系统(ABS)和牵引力控制系统(TCS)中,以监测车轮的转速,确保行车安全。
2.航空与航天:
涡轮发动机监测:监测飞机引擎的转速,保证引擎运行在安全的工作范围内。
直升机旋翼转速监测:确保旋翼转速稳定,保障飞行安全。
3.工业制造:
生产线监控:在自动化生产线上,监测各种传输带、齿轮和转轴的转速,确保生产流程顺畅。
机床主轴控制:精确控制机床主轴的转速,提高加工精度。
4.能源行业:
风力发电:监测风力涡轮机的转速,优化能量输出。
水力发电:监测水轮机的转速,调整发电效率。
5.交通运输:
轨道交通:监测列车轮轴的转速,用于列车的速度控制和防滑系统。
船舶:监测船舶螺旋桨的转速,以控制船舶的行进速度。
6.军事领域:
坦克和装甲车辆:监测车轮或履带的转速,用于车辆的行进控制和导航。
7.科研实验:
实验室设备:用于各种实验设备中,如离心机、旋转蒸发器等,精确控制转速。
8.家用电器:
洗衣机:监测洗衣桶的转速,以控制洗涤和甩干过程。
9.健身器材:
动感单车:监测踏板转速,用于调节运动强度和记录训练数据。
这些应用实例表明,转速传感器在提高设备性能、保障运行安全以及优化工业生产等方面发挥着重要作用。
二、转速传感器的类型与选择
根据测量原理和应用场景的不同,转速传感器可以分为多种类型,包括霍尔转速传感器、磁电式转速传感器、光电转速传感器以及光纤转速传感器等。每种传感器都有其独特的优点和适用范围,用户可以根据实际需求进行选择。
例如,在需要非接触式测量的场合,光电转速传感器和光纤转速传感器更为适用;而在对测量精度要求较高的场合,则可能需要选择高精度的霍尔转速传感器或磁电式转速传感器。
三、未来发展趋势
随着科技的不断进步和应用场景的不断拓展,通用高精度转速传感器也在不断发展。未来,转速传感器将更加智能化、小型化和高精度化。通过集成更多的传感器和算法,转速传感器可以实现更多功能的集成,提高测量精度和稳定性。同时,随着物联网和大数据技术的发展,转速传感器也将实现远程监控和数据分析,为设备的运行和维护提供更加便捷的服务。
综上所述,定制型的转速传感器在旋转机械轴的转速测量中发挥着重要作用。通过实时监测转速数据,可以确保客户设备的正常运行、优化控制策略、提供安全保护以及进行故障诊断。随着技术的不断发展,各种转速传感器的性能和应用也将得到进一步提升。
优利威转速传感器UMLW-330
概况
转速传感器长期工作可靠性好、灵敏度高、抗干扰能力强、非接触测量、响应速度快、不受油水等介质的影响,常被用于对大型旋转机械的轴位移、轴振动、轴转速等参数进行长期实时监测,可以分析出设备的工作状态和故障原因,有效地对设备进行保护及进行预测性维修。
从转子动力学、轴承学的理论上分析,大型旋转机械的运动状态主要取决于其核心──转轴,转速传感器能直接测量转轴的状态,测量结果可靠、可信。过去,对于机械的振动测量采用加速度传感器或速度传感器,通过测量机壳振动,间接地测量转轴的振动,测量结果可信度不高。
应用
广泛应用于电力、石油、化工、冶金等行业,对汽轮机、水轮机、发电机、鼓风机、压缩机、齿轮箱等大型旋转机械的轴的径向振动、轴向位移、鉴相器、轴的转速、胀差、偏心、油膜厚度等进行在线测量和安全保护,以及转子动力学研究和零件尺寸检验等方面。
技术参数
量程:0~1000rpm(可定制)
工作温度:-30~150℃
精度:±1r/min
线缆:10m
电源:DC24V
输出信号:4~20mA
信号处理器尺寸:78*32*74mm
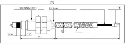
外观尺寸
